关于我们
诚信、务实、创新、高效
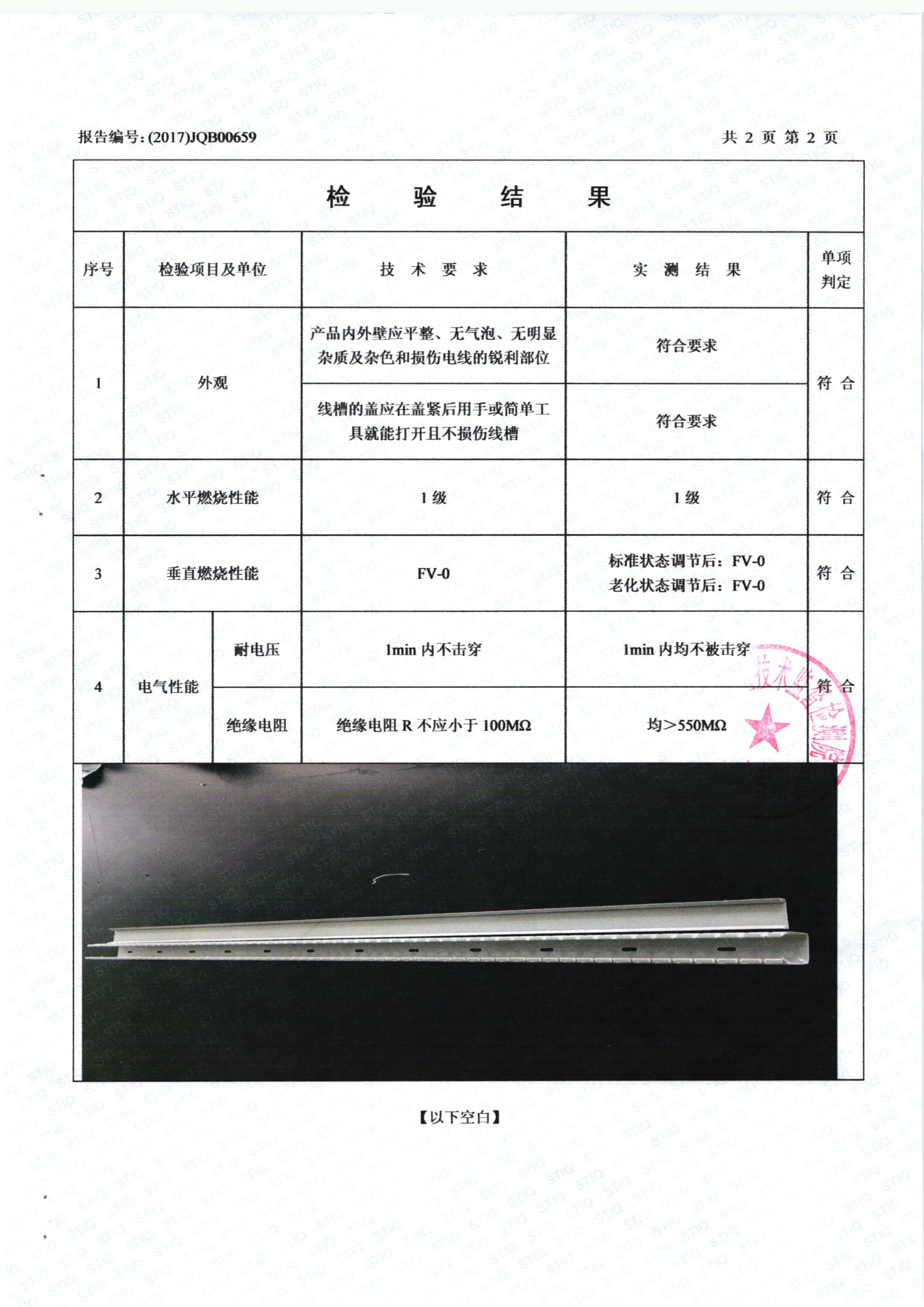
乐清市德赛塑料有限公司是一家集研发、生产、销售和进出口为一体的专业塑料行线槽生产厂家。产品主要包括pxc3通用塑料行线槽,pzc塑料装璜线槽等塑料制品,被广泛应用于商业场所、工业场所、办公空间、公共设施、各个大型企业的高低压配电柜装配的配线走线。 公司成立于2002年,生产基地位于浙江温州的乐清岐头工业区。多年来,公司投入大量资金为生产配置国内顶尖的自动化设备及厂房,技术和生产工艺都已达到了业内领先水平。 公司拥有经验丰富的专业工程师协助顾客的独特设计,完全百分百的照顾到顾客的特殊要求;高标准的库存体系和配送方式,能保持大量的现货供应,完全百分百的排除顾客对发货期的顾虑。...









